25, rue du Doyen Brus
33170 Gradignan (France)
www.recer.fr
Ventilateur centrifuge industriel

Photo non contractuelle.
CMA-528-2T-1
Vitesse : 2780 tr/min
Intensité Max 220V : 3,12 A
Intensité Max 400V : 1,8 A
Puissance : 0 Kw
Débit : 1250 m³/h
Niveau sonore : 82 dB (A)
Poids : 23 Kg

Caractéristiques de Fabrication :

Ventilateur

  • Gaine en fonte d´aluminium
  • Turbine en fonte d´aluminium
  • Modèles 324. 325 et 426 turbine en polyamide. modèle 531-2T-3 turbine en tôle d´acier

Moteur

  • Moteurs rendement IE-2. sauf puissances inférieures à 0.75 kW monophasé et 2 vitesses
  • Moteurs classe F. avec roulements à billes. protection IP55 à l´exception des modèles monophasés protection IP54
  • Monophasés 230 V - 50 Hz et triphasés 230/400 V - 50 Hz
  • Température maximale de l´air à transporter : -20ºC +120ºC. maximum +70ºC pour les modèles avec turbine en polyamide

Finition

  • Anticorrosion en résine polyester. polymérisée à 190ºC. après prétraitement nanotechnologique sans phosphate.

Sur demande

  • Bobinages spéciaux pour différentes tensions
  • Turbines en fonte d´aluminium pour les modèles 324. 325 et 426
  • Ventilateur conçu pour transporter de l´air jusqu´à 250ºC
  • Homologation ATEX Catégorie 2 (voir série CMA/ATEX)

Courbe de fonctionnement :

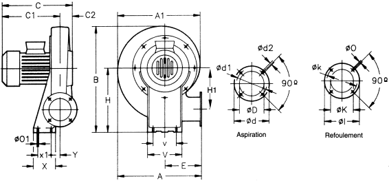
Dimensions :
Modèles A A1 B C C1 C2 ØD Ød Ød1 Ød2 E H
CMA-218 241 236 288 232 200 32 80 113 95 M.5 110 170
CMA-324 311 302 356 264 226 38 80 130 112 M.5 145 205
CMA-325 335 328 399 284 244 40 94 140 122 M.6 155 235
CMA-426 354 344 412 295 255 40 117 155 132 M.6 162 240
CMA-527 371 361 440 303 261 42 125 170 147 M.6 168 260
CMA-528...1 401 395 488 352 304 48 116 190 162 M.6 178 290
CMA-528...1.5 401 395 488 352 304 48 135 190 162 M.6 178 290
CMA-531...1.5 440 434 537 364 314 50 160 215 180 M.6 193 320
CMA-531...2 440 434 537 378 328 50 160 215 180 M.6 193 320
CMA-531...3 440 434 537 398 348 50 160 215 180 M.6 193 320
Toutes les valeurs sont exprimées en mm
Suite du tableau ...
Modèles H1 ØI ØK Øk ØO Ø01 V v X x1 Y
CMA-218 114.5 90 54 76 5.5 7 140 100 80 50 20
CMA-324 145 108 62 90 7 9 173 125 90 60 20
CMA-325 152 120 80 102 7 9 180 145 110 80 20
CMA-426 163 140 90 119 7 13 210 160 105 65 26
CMA-527 170 155 100 129 7 13 220 170 120 80 20
CMA-528...1 177 190 130 160t 11 13 230 180 140 100 20
CMA-528...1.5 177 190 130 160 11 13 230 180 140 100 20
CMA-531...1.5 200 200 140 175 11 13 240 190 160 120 21
CMA-531...2 200 200 140 175 11 13 240 190 160 120 21
CMA-531...3 200 200 140 175 11 13 240 190 160 120 21
Toutes les valeurs sont exprimées en mm

Orientations possibles :