25, rue du Doyen Brus
33170 Gradignan (France)
www.recer.fr
Extracteur de fumées résistant à 400°C pendant 2h

Photo non contractuelle.
HTMF-100-4/8T-9
Vitesse : 1455 tr/min
Intensité Max 220V : - A
Intensité Max 400V : 15.6/6.3 A
Puissance : 6.7 Kw
Débit : 48400 m³/h
Niveau sonore : Asp : 84/69 Ref : 81/66 dB (A)
Poids : 268.7 Kg

Caractéristiques de Fabrication :
Ventilateur :

   · Socle de support en tôle d'acier.
   · Hélices orientables en fonte d'aluminium.
   · Grille de protection contre les contacts selon la norme UNE 100250.
   · Chapeau en tôle d'acier, avec sortie d'air naturelle. Homologation selon la norme EN-12101-3-2002.

Moteur :

   · Moteur classe H, utilisation continue S1 et d'urgence S2, à roulements à billes, protection IP 55, à 1 ou 2 vitessesselon le modèle.
   · Triphasé 230/400 V, 50 Hz (jusqu'à 4 CV) et 400/690 V, 50 Hz (puissances supérieures à 4 CV).
   · Température maximum de l'air à transporter : Service S1 -20°C à + 40°C en continu, Service S2 400°C/2h.

Sur demande :

   · Extracteurs avec moteur 200°C/2h à 1 ou 2 vitesses.
   · Interrupteur de sécurité pour 200°C/2h, série IAT.
     

Courbe de fonctionnement :

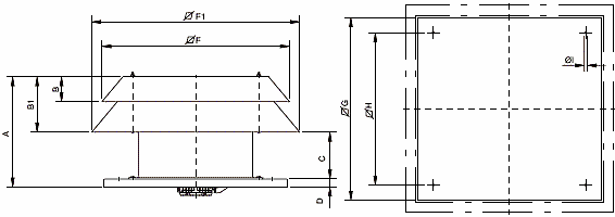
Dimensions :
Modèles A B B1 C D F F1 G H Ø1
HTMF-56 532 131.5 266.5 225 40 930 940 900 750 14
HTMF-63 577 141.5 311.5 225 40 1030 1060 1000 850 14
HTMF-71 661 156.5 351.5 270 40 1140 1185 1000 850 14
HTMF-80 721 176.5 401.5 270 50 1265 1316 1150 1000 14
HTMF-90 817 202 452 315 50 1425 1482 1150 1000 14
HTMF-100 957 212 492 415 50 1580 1642 1250 1100 14
Toutes les valeurs sont exprimées en mm