25, rue du Doyen Brus
33170 Gradignan (France)
www.recer.fr
Ventilateur hélicoïdal industriel

Photo non contractuelle.
HC-45-4M/H
Vitesse : 1375 tr/min
Intensité Max 220V : 3.1 A
Intensité Max 400V : - A
Puissance : 0.37 Kw
Débit : 7300 m³/h
Niveau sonore : 66 dB (A)
Poids : 13.5 Kg

Caractéristiques de Fabrication :

Ventilateur

  • Cadre support en tôle d´acier
  • Hélice en polyamide 6 renforcé de fibre de verre
  • Grille de protection contre les contacts selon la norme UNE 100250
  • Modèles 71. 80. 90 et 100. la grille de protection est fournie en tant qu´accessoire
  • Sens de l´air moteur-hélice

Moteur

  • Moteurs rendement IE-2. sauf puissances inférieures à 0.75 kW. monophasés et 2 vitesses
  • Moteurs classe F. avec roulements à billes. protection IP55. à l´exception des modèles monophasés des tailles 45 à 63. protection IP54. A 1 ou 2 vitesses selon le modèle
  • Monophasés 230 V - 50 Hz et triphasés 230/400 V - 50 Hz (jusqu´à 5.5 CV) et 400/690 V 50 Hz (puissances supérieures à 5.5 CV)
  • Température de fonctionnement : -25ºC +60ºC

Finition

  • Anticorrosion en résine polyester. polymérisée à 190ºC. après prétraitement nanotechnologique sans phosphate.

Sur demande

  • Ensemble moteur. hélice et grille (version F)
  • Groupe moteur hélice. version G.
  • Sens de l´air hélice-moteur.
  • Bobinages spéciaux pour différentes tensions.

Courbe de fonctionnement :

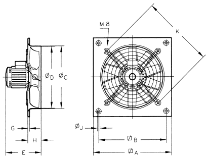
Dimensions :
Modèles Ø A Ø B Ø C Ø D E G H Ø J K
HC-25 330 275 262 260 185 11 56 8.5 310
HC-31 400 336 310.5 308 204 11 75 10.5 380
HC-35-2 465 390 362.5 360 245 11 86 10.5 450
HC-35-4 465 390 362.5 360 245 11 86 10.5 450
HC-40-4.../H 532 452 412.5 410 266 11 97.5 10.5 500
HC-40-4.../L 532 452 412.5 410 226 11 97.5 10.5 500
HC-40-6.../H 532nt> 452 412.5 410 286 11 97.5 10.5 500
HC-45-4T/H 596 504 462.5 460 267 11 105 10.5 560
HC-45-4M/H 596 504 462.5 460 260 11 105 10.5 560
HC-45-4.../L 596 504 462.5 460 274 11 105 10.5 560
HC-45-6.../H 596 504 462.5 460 286 11 105 10.5 560
HC-50-4T/H 665 562 516.5 514 277 11 115 10.5 640
HC-50-4M/H 665 562 516.5 514 293 11 115 10.5 640
HC-50-4.../L 665 562 516.5 514 284 11 115 10.5 640
HC-50-6.../H 665 562 516.5 514 329 11 115 10.5 640
HC-56-4T/H 710 630 563 560 386 15 115 10.5 721
HC-56-4T/L 710 630 563 560 277 15 115 10.5 721
HC-56-4M/L 710 630 563 560 293 15 115 10.5 721
HC-56-6.../H 710 630 563 560 329 15 115 10.5 721
HC-63-4T/H 800 710 638 635 411 15 140 10.5 820
HC-63-4.../L 800 710 638 635 318 15 140 10.5 820
HC-63-6.../H 800 710 638 635 354 15 140 10.5 820
HC-71-4T/H 850 810 715 711 462 20 170 14.5 850
HC-71-6T/H 850 810 715 711 432 20 170 14.5 850
HC-71-4TMH 850 810 715 711 430 20 170 14.5 850
HC-80-4T/H 970 910 801 797 383 20 210 14.5 975
HC-80-4T/L 970 910 801 797 274 20 210 14.5 975
HC-80-6T/H 970 910 801 797 460 20 210 14.5 975
HC-80-6T/L 970 910 801 797 514 20 210 14.5 975
HC-90-4T/H 1170 1110 918 914 485 20 210 14.5 1155
HC-90-4T/L 1170 1110 918 914 462 20 210 14.5 1155
HC-90-6T/H 1170 1110 918 914 458 20 210 14.5 1155
HC-90-6T/L 1170 1110 918 914 430 20 210 14.5 1155
HC-90-8T/H 1170 1110 918 914 430 20 210 14.5 1155
HC-100-4T/H 1170 1110 1003 999 533 20 210 14.5 1170
HC-100-4T/L 1170 1110 1003 999 495 20 210 14.5 1170
HC-100-6T/H 1170 1110 1003 999 468 20 210 14.5 1170
HC-100-6T/L 1170 1110 1003 999 440 20 210 14.5 1170
HC-100-8T/H 1170 1110 1003 999 468 20 210 14.5 1170
Toutes les valeurs sont exprimées en mm