|
| Ventilateurs industriels |
|
|
|
|
| Ventilateurs ATEX |
|
|
|
|
|
Ventilateur hélicoïdal ATEX HCDF-56-6T |
Imprimer |
Carastéristiques techniques HCDF-56-6T |
Photo non contractuelle.
|
Référence : |
HCDF-56-6T |
| Vitesse : |
910 tr/min |
| Intensité Max 220V : |
1.59 A |
| Intensité Max 400V : |
0.92 A |
| Intensité Max 690V : |
- A |
| Puissance : |
0.25 Kw |
| Débit : |
8400 m³/h |
| Niveau sonore : |
63 dB (A) |
| Poids : |
30.5 Kg |
|
Demander un DEVIS pour la référence 'HCDF-56-6T'
Caractéristiques de fabrication HCDF-56-6T |
|
Ventilateur :
· Hélice en fonte d'aluminium.
· Direction air moteur-hélice.
· Presse-étoupe anti-étincelles inclus.
· Cadre support en tôle d'acier.
· Grille de protection contre les contacts selon la norme UNE 100-250.
Moteur :
· Moteur classe F, avec roulements à billes, protection IP 55 avec homologation ATEX à l'exception des antidéflagrants EEx"d" IIBT4.
· Triphasé 230-400 V.-50 Hz. (jusqu'à 5.5 CV) et 400-690 V -50 Hz. (puissances supérieures à 5.5 CV).
· Température de travail : -20°C à + 40°C.
Sur demande :
· Bobinages spéciaux pour différentes tensions et fréquences.
· Construction ATEX pour différentes catégories.
· Extracteurs avec moteur à 2 vitesses.
|
|
|
Courbe de fonctionnement HCDF-56-6T |
 |
|
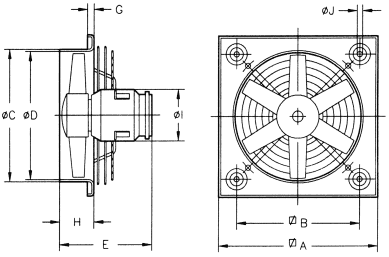
Dimensions du ventilateur HCDF-56-6T |

| Modèles |
Ø A |
Ø B |
Ø C |
Ø D |
E |
G |
H |
Ø I |
Ø J |
| HCDF-25-4T |
330 |
275 |
262 |
260 |
228 |
11 |
41 |
132 |
8.5 |
| HCDF-25-4M |
330 |
275 |
262 |
260 |
235 |
11 |
41 |
132 |
8.5 |
| HCDF-31-4T |
400 |
336 |
310.5 |
308 |
234 |
11 |
50 |
132 |
10.5 |
| HCDF-31-4M |
400 |
336 |
310.5 |
308 |
241 |
11 |
50 |
132 |
10.5 |
| HCDF-35-4T |
465 |
390 |
362.5 |
360 |
245 |
11 |
50 |
132 |
10.5 |
| HCDF-35-4M |
465 |
390 |
362.5 |
360 |
252 |
11 |
50 |
132 |
10.5 |
| HCDF-40-4T |
532 |
452 |
412.5 |
410 |
265 |
11 |
70 |
132 |
10.5 |
| HCDF-40-4M |
532 |
452 |
412.5 |
410 |
295 |
11 |
70 |
132 |
10.5 |
| HCDF-45-4T |
596 |
504 |
462.5 |
460 |
262 |
11 |
70 |
132 |
10.5 |
| HCDF-45-4M |
596 |
504 |
462.5 |
460 |
290 |
11 |
70 |
132 |
10.5 |
| HCDF-45-6T |
596 |
504 |
462.5 |
460 |
262 |
11 |
70 |
132 |
10.5 |
| HCDF-50-4T |
665 |
562 |
516.5 |
514 |
262 |
11 |
70 |
162 |
10.5 |
| HCDF-50-6T |
665 |
562 |
516.5 |
514 |
262 |
11 |
70 |
132 |
10.5 |
| HCDF-56-4T |
710 |
630 |
563 |
560 |
370 |
15 |
105 |
162 |
10.5 |
| HCDF-56-6T |
710 |
630 |
563 |
560 |
370 |
15 |
105 |
162 |
10.5 |
|
| Toutes les valeurs sont exprimées en mm | |
|
|
|
|
|
|