|
| Ventilateurs industriels |
|
|
|
|
| Ventilateurs ATEX |
|
|
|
|
|
Ventilateur hélicoïdal ATEX HCT-90-4T-10/ATEX |
Imprimer |
Carastéristiques techniques HCT-90-4T-10/ATEX |
Photo non contractuelle.
|
Référence : |
HCT-90-4T-10/ATEX |
| Vitesse : |
1450 tr/min |
| Intensité Max 220V : |
- A |
| Intensité Max 400V : |
- A |
| Intensité Max 690V : |
- A |
| Puissance : |
7.5 Kw |
| Débit : |
54700 m³/h |
| Niveau sonore : |
92 dB (A) |
| Poids : |
111 Kg |
|
Demander un DEVIS pour la référence 'HCT-90-4T-10/ATEX'
Caractéristiques de fabrication HCT-90-4T-10/ATEX |
|
Ventilateur :
· Gaine tubulaire en tôle d'acier, avec bande d'aluminium dans la zone de l'hélice selon la norme EN-14986:2005.
· Hélice en fonte d'aluminium.
· Trappe d'inspection intégrée.
· Direction air moteur-hélice.
Moteur :
· Moteur classe F, avec roulements à billes, protection IP 55 avec homolgation ATEX, antiexplosions EEx"e" ou antidéflagrants EEx"d".
· Triphasé 230/400 V, 50 Hz (jusqu'à 5.5 CV) et 400/690 V, 50 Hz (puissances supérieures à 5.5 CV). .
· Température de travail : -20°C à + 40°C.
Sur demande :
· Bobinages spéciaux pour différentes tensions et fréquences.
· Construction ATEX pour différentes catégories.
· Extracteurs avec moteur à 2 vitesses.
|
|
|
Courbe de fonctionnement HCT-90-4T-10/ATEX |
 |
|
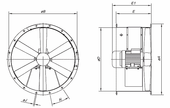
Dimensions du ventilateur HCT-90-4T-10/ATEX |

| Modèles |
ØA |
ØB |
D |
EEx"e" E |
EEx"d" E1 |
ØJ |
N |
| HCT-35 |
425 |
395 |
355 |
230 |
230 |
10 |
8x45 |
| HCT-40-2T |
490 |
450 |
410 |
320 |
351 |
12 |
8x45 |
| HCT-40-4T |
490 |
450 |
410 |
320 |
320 |
12 |
8x45 |
| HCT-45-2T |
540 |
500 |
460 |
360 |
379 |
12 |
8x45 |
| HCT-45-4T |
540 |
500 |
460 |
360 |
370 |
12 |
8x45 |
| HCT-50 |
600 |
560 |
514 |
360 |
366 |
12 |
12x30 |
| HCT-56-4T-0.75 |
660 |
620 |
560 |
400 |
400 |
12 |
12x30 |
| HCT-56-4T-1 |
660 |
620 |
560 |
400 |
400 |
12 |
12x30 |
| HCT-56-4T-1.5 |
660 |
620 |
560 |
400 |
420 |
12 |
12x30 |
| HCT-56-4T-2 |
660 |
620 |
560 |
400 |
420 |
12 |
12x30 |
| HCT-56-6T |
660 |
620 |
560 |
400 |
400 |
12 |
12x30 |
| HCT-63-4T-1 |
730 |
690 |
640 |
430 |
430 |
12 |
12x30 |
| HCT-63-4T-1.5 |
730 |
690 |
640 |
430 |
430 |
12 |
12x30 |
| HCT-63-4T-2 |
730 |
690 |
640 |
430 |
430 |
12 |
12x30 |
| HCT-63-4T-3 |
730 |
690 |
640 |
430 |
490 |
12 |
12x30 |
| HCT-63-4T-4 |
730 |
690 |
640 |
430 |
490 |
12 |
12x30 |
| HCT-63-6T |
730 |
690 |
640 |
430 |
430 |
12 |
12x30 |
| HCT-71-4T-1.5 |
810 |
770 |
710 |
500 |
500 |
12 |
16x2230' |
| HCT-71-4T-2 |
810 |
770 |
710 |
500 |
500 |
12 |
16x2230' |
| HCT-71-4T-3 |
810 |
770 |
710 |
500 |
517 |
12 |
16x2230' |
| HCT-71-4T-4 |
810 |
770 |
710 |
500 |
517 |
12 |
16x2230' |
| HCT-71-6T |
810 |
770 |
710 |
500 |
500 |
12 |
16x2230' |
| HCT-80-4T-3 |
900 |
860 |
800 |
500 |
517 |
12 |
16x2230' |
| HCT-80-4T-4 |
900 |
860 |
800 |
500 |
517 |
12 |
16x2230' |
| HCT-80-4T-5.5 |
900 |
860 |
800 |
500 |
535 |
12 |
16x2230' |
| HCT-80-6T-1 |
900 |
860 |
800 |
500 |
500 |
12 |
16x2230' |
| HCT-80-6T-1.5 |
900 |
860 |
800 |
500 |
500 |
12 |
16x2230' |
| HCT-80-6T-2 |
900 |
860 |
800 |
500 |
517 |
12 |
16x2230' |
| HCT-80-6T-3 |
900 |
860 |
800 |
500 |
535 |
12 |
16x2230' |
| HCT-90-4T-4 |
1015 |
970 |
900 |
500 |
517 |
15 |
16x2230' |
| HCT-90-4T-5.5 |
1015 |
970 |
900 |
500 |
535 |
15 |
16x2230' |
| HCT-90-4T-7.5 |
1015 |
970 |
900 |
500 |
571 |
15 |
16x2230' |
| HCT-90-4T-10 |
1015 |
970 |
900 |
500 |
616 |
15 |
16x2230' |
| HCT-90-6T-2 |
1015 |
970 |
900 |
500 |
517 |
15 |
16x2230' |
| HCT-90-6T-3 |
1015 |
970 |
900 |
500 |
535 |
15 |
16x2230' |
| HCT-90-6T-4 |
1015 |
970 |
900 |
500 |
571 |
15 |
16x2230' |
| HCT-100-4T-7.5 |
1115 |
1070 |
1000 |
550 |
567 |
15 |
16x2230' |
| HCT-100-4T-10 |
1115 |
1070 |
1000 |
550 |
612 |
15 |
16x2230' |
| HCT-100-4T-15 |
1115 |
1070 |
1000 |
650 |
701 |
15 |
16x2230' |
| HCT-100-4T-20 |
1115 |
1070 |
1000 |
650 |
701 |
15 |
16x2230' |
| HCT-100-6T-3 |
1115 |
1070 |
1000 |
550 |
565 |
15 |
16x2230' |
| HCT-100-6T-4 |
1115 |
1070 |
1000 |
550 |
567 |
15 |
16x2230' |
| HCT-100-6T-5.5 |
1115 |
1070 |
1000 |
550 |
612 |
15 |
16x2230' |
|
| Toutes les valeurs sont exprimées en mm | |
|
|
|
|
|
|